Search Icon
Funnel Icon

Fetching results ...

Pen Icon

Search for something ...

Sad Face Icon

No results found, try adjusting your search

skip to FUHR Lever Operated Latch & Deadbolt Split Spindle- 2 Hook & 2 Roller

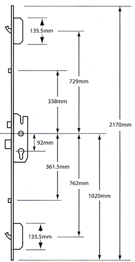
FUHR Lever Operated Latch & Deadbolt Split Spindle- 2 Hook & 2 Roller

£119.99

(£99.99 ex VAT)

sku: L31107

2 Hook and 2 Roller - Split Spindle Features 16mm Faceplate Euro Profile Lock Case Latch & Deadbolt Split Spindle Backset - 35mm Centres - 92mm Operation: Locking: Lift Lever to engage locking mechanisms and then one full turn of the cylinder to lock. Unlocking: One full turn of the cylinder and then push down the handles to release the locking mechanisms Please note these Multipoint locks do not come with any strike plates or fixing screws. The strike plates can be ordered but please contact us if required.

Qty:

Shipping From:

When ordering multiple Keyed Alike locks, only 1 set of keys are provided as all additional locks are made to work from that key.

If ordering 4 or more keyed alike locks you can have them set up as different groups. If Required: Let us know the details in the "Specific Key Requirements" field above.

Each group of locks will then receive keys.