Search Icon
Funnel Icon

Fetching results ...

Pen Icon

Search for something ...

Sad Face Icon

No results found, try adjusting your search

skip to AVOCET Lever Operated Latch & Deadbolt Twin Spindle - 4 Roller

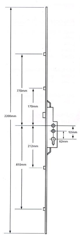
AVOCET Lever Operated Latch & Deadbolt Twin Spindle - 4 Roller

£59.99

(£49.99 ex VAT)

sku: L17415

4 Roller - Twin Spindle Features 16mm Faceplate Euro Profile Lock Case Latch & Deadbolt Twin Spindle 35mm Backset 92-62mm Centres Operation: Locking: Lift Lever to engage locking mechanisms and then one full turn of the cylinder to lock. Unlocking: One full turn of the cylinder and then push down the handles to release the locking mechanisms Please note these Multipoint locks do not come with any strike plates or fixing screws. The strike plates can be ordered but please contact us if required.

Qty:

Shipping From:

When ordering multiple Keyed Alike locks, only 1 set of keys are provided as all additional locks are made to work from that key.

If ordering 4 or more keyed alike locks you can have them set up as different groups. If Required: Let us know the details in the "Specific Key Requirements" field above.

Each group of locks will then receive keys.