Search Icon
Funnel Icon

Fetching results ...

Pen Icon

Search for something ...

Sad Face Icon

No results found, try adjusting your search

skip to FUHR 4 Rollers: UPVC Multi-Point Locking Mechanism

FUHR 4 Rollers: UPVC Multi-Point Locking Mechanism

£71.99

(£59.99 ex VAT)

sku: L15598

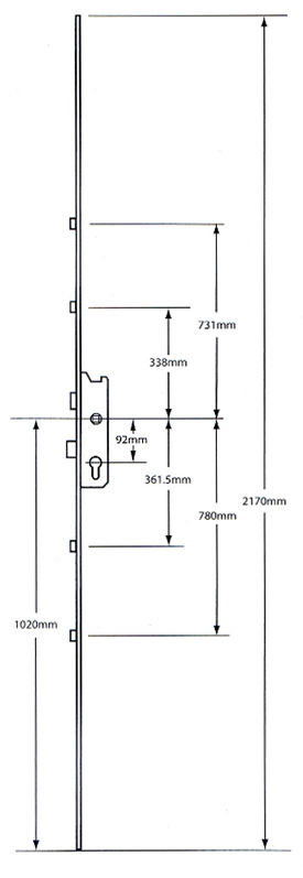
FUHR Multi-point locking mechanism:

Backset: 25mm or 30mm or 35mm or 45mm
Centres: 92mm

Features:

  • Euro Profile Lock Case
  • Latch & Deadbolt
  • 4 x Rollers
  • 16mm Faceplate


Operation:
Locking: Lift Lever to engage locking mechanisms and then one full turn of the cylinder to lock.

Unlocking:
One full turn of the cylinder and then push down the handles to release the locking mechanisms

Spindle Single
Operation A - Lift lever to engage locking mechanisms and then one full turn of the cylinder to lock. One full turn of the key then push down on the lever to unlock.
Brand Fuhr
Case Height 200mm
Centres 92mm
Centre Case Latch & Deadbolt
Weight 2.2Kg
Locking Point Distance D 780mm
Locking Point Distance C 730mm
Locking Point Distance B 360mm
Locking Point Distance A 340mm
Locking Point Roller 4
Faceplate Width 16mm

Backset

Keys Supplied: per lock ( total) total (unless ordering multiple groups)
Additional Keys are available below
Qty:

Shipping From:

When ordering multiple Keyed Alike locks, only 1 set of keys are provided as all additional locks are made to work from that key.

If ordering 4 or more keyed alike locks you can have them set up as different groups. If Required: Let us know the details in the "Specific Key Requirements" field above.

Each group of locks will then receive keys.

6/10 Security Rating