Search Icon
Funnel Icon

Fetching results ...

Pen Icon

Search for something ...

Sad Face Icon

No results found, try adjusting your search

skip to GU Tripact Lever Operated Latch & Deadbolt Multipoint Lock

GU Tripact Lever Operated Latch & Deadbolt Multipoint Lock

£70.08

(£58.40 ex VAT)

sku: GU-0029
  • Full multipoint locking system for enhanced door security
  • Lever-operated mechanism with lift-to-lock functionality
  • Integrated latch and deadbolt centre case
  • Equipped with two additional small hook locking points
  • Compatible with standard Euro profile cylinders
  • Single spindle operation for use with lever/lever handles
  • Designed for installation on UPVC and composite door systems

size

Keys Supplied: per lock ( total) total (unless ordering multiple groups)
Additional Keys are available below
Qty:

Shipping From:

When ordering multiple Keyed Alike locks, only 1 set of keys are provided as all additional locks are made to work from that key.

If ordering 4 or more keyed alike locks you can have them set up as different groups. If Required: Let us know the details in the "Specific Key Requirements" field above.

Each group of locks will then receive keys.

tick Latch & Deadbolt

The GU Tripact is a robust lever-operated multipoint lock designed for residential entrance doors. It provides a secure locking solution by combining a central latch and deadbolt with two additional small hooks located at the top and bottom of the unit. This configuration ensures multiple points of engagement with the door frame, improving both security and weather sealing.

This locking system is operated by a single spindle, making it compatible with standard lever/lever handle sets. To engage the locking points, the handle is lifted upwards, followed by a turn of a Euro profile cylinder to deadlock the mechanism. The unit is retracted by a turn of the key and a downward push of the lever handle.

Commonly used in both new installations and as a replacement unit, the GU Tripact features a standard 16mm faceplate. It is engineered for durability and smooth operation, providing reliable performance for high-traffic external doors.

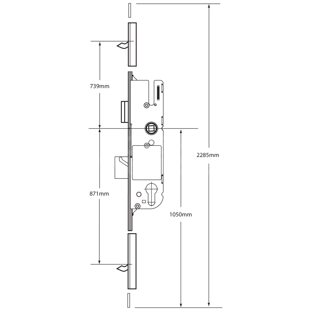
Dimensions Image: GU Tripact Lever Operated Latch & Deadbolt Multipoint Lock
Part Min (mm) Max (mm)
centres 92 -
Backset 35 45
Case Width 50 60
Case Height 195 -
Locking Point Hooks 2 -
Faceplate Width 16 -

FAQs

The GU Tripact uses a lift-to-lock mechanism. To lock the door, lift the lever handle upwards to engage the central deadbolt and the two additional small hooks. Once engaged, turn your Euro profile cylinder key to deadlock the system. To unlock, turn the key and push the handle downwards.

Yes, the GU Tripact is designed to work with standard lever/lever handle sets and Euro profile cylinders. It operates via a single spindle, making it a straightforward choice for most residential entrance door configurations.

This multipoint lock is specifically designed for use on UPVC and composite door systems. It features a standard 16mm faceplate, which is a common specification for these door materials, making it ideal for both new installations and as a replacement unit.

The GU Tripact provides high security through multiple points of engagement with the door frame. It features:

  • One central latch
  • One central deadbolt
  • Two small hook locking points (located near the top and bottom)